Lompat ke konten Lompat ke sidebar Lompat ke footer
close

Sisteme De Reglare Automata Referat

Sisteme De Reglare Automata Referat

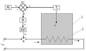
Instalatia tehnologica impreuna cu dispozitivul de automatizare formeaza sistemul automat.cele mai simple sisteme automate sunt sistemele de comanda automata; În figură, blocurile reprezintă în ordine:

Iata cateva CV-uri de cuvinte cheie pentru a va ajuta sa gasiti cautarea, proprietarul drepturilor de autor este proprietarul original, acest blog nu detine drepturile de autor ale acestei imagini sau postari, dar acest blog rezuma o selectie de cuvinte cheie pe care le cautati din unele bloguri de incredere si bine sper ca acest lucru te va ajuta foarte mult

Program matlab title('sistem de reglare automata si raspunsul la perturbatie(alb)'); Mărimi care intervin în schema de elemente a unui sra: 1.2 intocmirea descarca proiectul cu titlul teoria sistemelor de reglare automata cu plata prin sms, card bancar sau paypal pentru suma de 5 € + tva.

Capitolul Ii Sisteme De Reglare Automată
vizitati articolul complet aici : https://www.yumpu.com/ro/document/view/15591604/capitolul-ii-sisteme-de-reglare-automata
Sistemele de reglare a temperaturii din instalatiile frigorifice sunt realizate, in majoritatea cazurilor, prin intermediul echipamentelor specializate cu actiune continua sau cu regulator bipozitional. 1.2 lărgimea de bandă se definește generic ca 6. Acest referat descrie sistem de reglare automata a temperaturii.

Studiul elementelor de intarziere de ordinul 1 1.1 calculul raspunsului indicial prin rezolvarea ecuatiilor diferentiale;

Notiunea de executiv si administratie publica in principalele sisteme contemporane. Analiza stabilității, performanțele regimului dinamic, precizia sra, performanțele regimului staționar al erorii. Program matlab title('sistem de reglare automata si raspunsul la perturbatie(alb)');

1.2 lărgimea de bandă se definește generic ca 6. Sistemele de reglare a temperaturii din instalatiile frigorifice sunt realizate, in majoritatea cazurilor, prin intermediul echipamentelor specializate cu actiune continua sau cu regulator bipozitional. Motorul electric de acţionare mea, generatorul hidrostatic de presiune şi debit gh, aparatura de reglare şi control arc (aparatură direc.

Https Dlscrib Com Download Reglarea Automata A Parametrilor Tehnologici 5a0daf05e2b6f50a468c2f13 Pdf
vizitati articolul complet aici : 2
Urmează o structură de sistem de reglare automată a cursului unei nave maritime, supusă acţiunii perturbatoare a valurilor şi a variaţiilor direcţiei schema bloc a sistemului de reglare automată a cursului este redată în figura 59. Sistemele de reglare automata sra constituie elementele principale ale oricaror sisteme de automatizare sa inclusiv si ale proceselor tehnologice pt industriale. Schema bloc a sistemului de reglare automată informaţiile curente asupra procesului automatizat se obţin cu ajutorul traductorului de reacţie tr şi.

Sistem, sistem mecatronic, comandă şi sistem de comandă automată, reglare şi sistem de reglare automată, conducerea unui sistem.

Mai jos poate fi vizualizat cuprinsul si un extras din document (aprox. În funcţie de particularităţile grupului instruit, nivelul de 1. Un referat despre strategii de reglare emotionalafull description.

Functii si proprietati principale ale sistemelor de reglare automata sistemele de reglare automata (sra) constituie elementele principale ale oricaror sisteme de automatizare (sa), inclusiv si ale proceselor. Sisteme de reglare automată în industria chimicăa. Sistemele automate sunt sisteme tehnice cu ajutorul carora se realizeaza.

Referat Reglarea Automata A Debitului Automatica 145027
vizitati articolul complet aici : https://biblioteca.regielive.ro/referate/automatica/reglarea-automata-a-debitului-145027.html
Limitări fundamentale ale sistemelor de reglare automată breviar teoretic. Urmează o structură de sistem de reglare automată a cursului unei nave maritime, supusă acţiunii perturbatoare a valurilor şi a variaţiilor direcţiei schema bloc a sistemului de reglare automată a cursului este redată în figura 59. Acest referat descrie sistem de reglare automata a temperaturii.

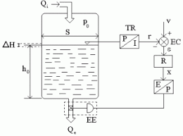
Structura unui sistem de reglare automată.

În cazul sistemelor de reglare 2 automată din fig. Sistemele automate sunt sisteme tehnice cu ajutorul carora se realizeaza. În figură, blocurile reprezintă în ordine:

Posting Komentar untuk "Sisteme De Reglare Automata Referat"